Gridelektrode Platin 2x8 Kontakte o. Kabel 1 St.

Produktinformationen "Gridelektrode Platin 2x8 Kontakte o. Kabel 1 St."
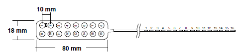
Die Gridelektrode aus Platin hat 2 x 8 Kontakte in 10 mm Abstand. Das dazugehöriges Anschlusskabel finden Sie unter der Nummer L-DCL-16BDIN
EAN Nummern: 00841823101693
EClass: 34249090
Medizinprodukteklassen: Kl. 3

Dazu passende Artikel

Gridelektroden
Anschluss Geräteseite: 1x Multistecker | Belegung: 2x8 | Eigenschaft: Einmal | Größe: 2mm | Kabellänge: 250cm | Material: Platin | Verpackungseinheit: 1

Varianten ab 478,80 €*
1.005,48 €*